How to order:



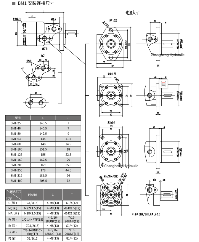
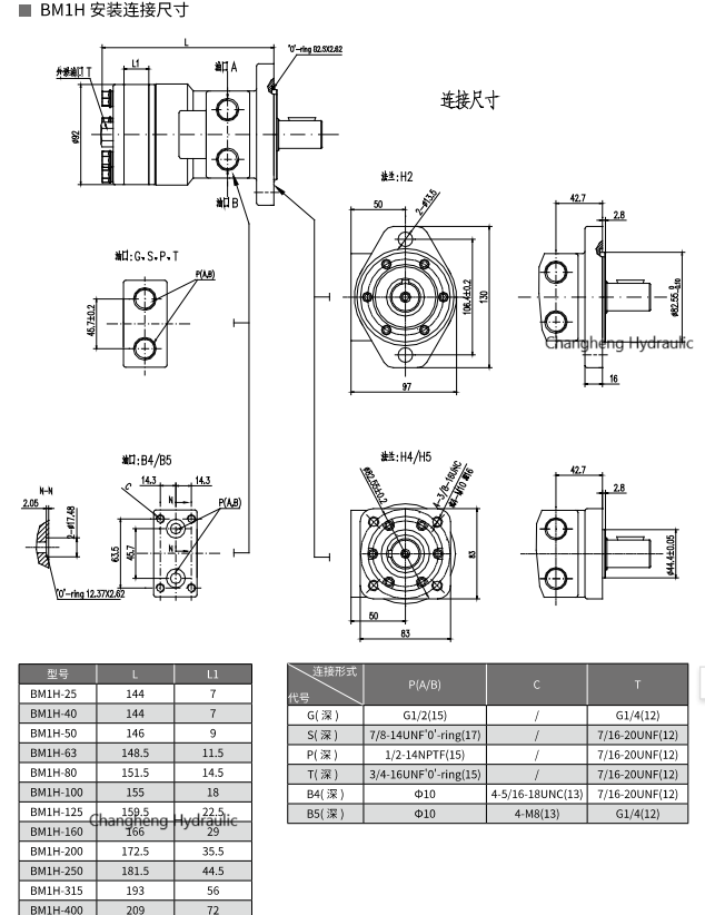
This series orbital hydraulic motors other models: BM1-25 BM1-40 BM1-50 BM1-63 BM1-80 BM1-100 BM1-125 BM1-200 BM1-250 BM1-315 BM1-400
The BM1 series motor is economical, efficient, compact in structure, and has high power. It is a cycloidal hydraulic motor with shaft distribution.
The series of motors produced by our company are output shafts, linkage shafts, and advanced stator rotor pairs that have been tested for many years, greatly reducing friction and improving efficiency.
Various installation methods such as flanges, output shafts, and oil ports are available for selection, providing great flexibility for the overall design of the machine.
The rotation direction, output speed, and output torque of the motor can be controlled smoothly and accurately by adjusting the motor flow and pressure.
-The displacement range is 50c/-500cc/r, with a wide range of options to meet the various speed and torque requirements of the equipment.
-The Mazda fixed rotor pair adopts an embedded column structure and imported seals, which are suitable for high pressures and provide excellent product performance.
-The motor output shaft is equipped with imported bearings, which are suitable for high speeds and bearing large axial and radial loads.
-The BM1 series has a variety of motor types, completely replacing products from various countries and regions such as Asia, Europe, and the Americas
BM1-- National Standard Series, BM1E -- European Standard Series, BM1W -- Wheel Type Series, BM1H -- American Standard Series, BM1B -- With Brake Motor
This series of motors can choose heavy-duty bearing support internally (BM1S series)
The related cargos:
Hydraulic orbital motor BM2 series
Hydraulic orbital motor BM3 series
Our advantages:
A: Your inquiry related to our products or prices will be replied in 24 hours.
B: Respect client's ideas and provide suggestions.
C: Best quality and competitive price.
Changheng Hydraulic is a modernized enterprise in Shenzhen China, specialized in producing hydraulic gear pumps, piston pumps,orbital motors, valves and pressure switches etc. The Company is equipped with a variety of advanced precision machining and inspection equipment, among which machining center, CNC lathes, full-automatic 3D measuring instrument, specialized gear tester, and standardized test bench of gear pump and orbital motor are introduced from Japan, German and USA. The Company has also actively imported advanced technologies and management concepts both at home and abroad and been equipped with comprehensive and scientific quality management system. Since its establishment, the Company has always been engaged in relevant product application in hydraulic, and transportation industries both at home and abroad. The products have been widely applied in engineering machinery, automobile, plastic machinery, shoe leather machinery, light industry, die casting machinery, metallurgy machinery, mine machinery, wood working machinery, metal-cutting machines as well as other hydraulic systems, featuring high efficiency, robustness, reliability and stability. Equipped with strong technical force and professional QC personnel, the company’s various products with stable performance, reliable quality and considerable after-sales serves. Further, Changheng has promised that any quality issue will be guaranteed in one year. Over the years, our quality products and perfect after-sales services have received favorable comments from the majority of customers. It is your correct choice to select Changheng Hydraulic products. Welcome your enquires!
FAQ:
1. Who are we?
We are based in Shenzhen, China, start from 2014, sell to Domestic Market(20.00%),Southeast Asia(25.00%), Eastern Asia(20.00%), North America(15.00%), South America(10.00%),Africa(10.00%). There are total about 51-100 people in our office.
2. How can we guarantee quality?
Always a pre-production sample before mass production;
Always final Inspection 100% before shipment;
3. What can you buy from us?
Gear pumps,piston pumps,vane pumps, orbital motors,pressure switches,hydraulic valves
4. Why should you buy from us not from other suppliers?
The company has 20 years of production experience, with many advanced and precise processing and testing equipment, including CNC lathe, machining center, special It is imported from Germany, Japan and the United States with CNC double-sided grinder.
5. What services can we provide?
Accepted Delivery Terms: FOB, CFR, CIF, EXW, FCA, DDP, DDU, Express Delivery;
Accepted Payment Currency: USD, EUR, HKD;
Accepted Payment Type: T/T,L/C, MoneyGram, PayPal, Western Union, Cash;
Language Spoken:English, Chinese
Shenzhen Changheng Hydraulic Equipment Co., Ltd






